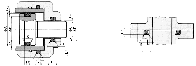
回転用・往復運動用寸法
KS Xリング

|
KS-X
リング
部品番号
|
KS-X
リング幅
W
|
半径方向のしめ代
|
みぞの寸法
|
角面
R
|
最大直径
すきま
S
|
|
最大
|
深さ
|
幅
|
|
最小
|
|
運動用
|
固定用
|
運動用
E1
|
固定用
E2
|
バックアップリングなし
F±0.2
|
バックアップリング1個付き
F±0.2
|
バックアップリング1個付き
F±0.2
|
|
X001
|
1.02±0.08
|
0.3
|
0.35
|
0.8+0.025
|
0.75+0.025
|
1.2
|
-
|
-
|
0.1
|
0.05
|
|
0.115
|
0.165
|
|
X002
|
1.25±0.08
|
0.33
|
0.43
|
1.0+0.025
|
0.9+0.025
|
1.4
|
-
|
-
|
0.15
|
0.05
|
|
0.145
|
0.245
|
|
X003
|
1.52±0.08
|
0.30
|
0.4
|
1.3+0.025
|
1.2+0.026
|
1.7
|
-
|
-
|
0.25
|
0.08
|
|
0.115
|
0.215
|
|
X0041/2
|
1.02±0.08
|
0.30
|
0.35
|
0.8+0.025
|
0.75+0.025
|
1.2
|
-
|
-
|
0.1
|
0.05
|
|
0.14
|
0.165
|
|
X005A
|
1.50±0.08
|
0.28
|
0.38
|
1.3+0.025
|
1.2+0.025
|
1.7
|
2.6
|
3.5
|
0.25
|
0.08
|
|
0.095
|
0.195
|
|
X004-
|
1.78±0.08
|
0.31
|
0.46
|
1.55+0.025
|
1.4+0.025
|
2.0
|
3.5
|
5.0
|
0.25
|
0.10
|
|
X050
|
0.125
|
0.275
|
|
X102-
|
2.62±0.08
|
0.35
|
0.45
|
2.35+0.025
|
2.25+0.025
|
3.0
|
4.4
|
5.8
|
0.4
|
0.15
|
|
X178
|
0.165
|
0.265
|
|
X201-
|
3.53±0.1
|
0.38
|
0.53
|
3.25+0.025
|
3.1+0.025
|
4.0
|
5.4
|
6.8
|
0.4
|
0.15
|
|
X284
|
0.155
|
0.305
|
|
X309-
|
5.33±0.13
|
0.51
|
0.71
|
4.95+0.05
|
4.75+0.05
|
6.0
|
7.8
|
9.5
|
0.6
|
0.20
|
|
X395
|
0.20
|
0.40
|
|
X425-
|
7.00±0.15
|
0.65
|
0.95
|
6.50+0.05
|
6.2+0.05
|
8.0
|
10.5
|
13.0
|
0.6
|
0.20
|
|
X475
|
0.30
|
0.60
|
注1:半径方向のしめ代の最大/最小は、KS-Xリングの幅及びみぞの深さの公差を考慮して決められており、半径方向のしめ代を最大にしますと、
シール性はよくなりますが、摩擦が大きくなります。一方、しめ代を最小にしますと、シール性はわるくなりますが、摩擦がちいさくなります。
注2:みぞ深さの値は、油圧装置の標準的な使い方に適合するものです。ピストンが偏心している場合あるいはピストンが座屈する場合は、みぞ
深さを減らすかあるいはしめ代を大きくして下さい。また、真空あるいは低圧で使用する場合も同様にして下さい。
注3:KS-Sリングの材質に膨潤の恐れがある場合には、みぞ幅を最高約15%増大して下さい。 |